Technical

Clear
11 files found

000

Wiring diagram reading guide explaining how to interpret vehicle wiring diagrams including functional component indices, relay and computer mounting positions,…
123.8 KB Manuals/Japanese/VOL5 Years 77-79/117_W_E‐TX40_1979_12

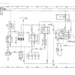
001

Engine control system wiring diagram showing ECU connections, sensor circuits, relay locations, and electrical pathways for engine management components including…
85.6 KB Manuals/Japanese/VOL5 Years 77-79/117_W_E‐TX40_1979_12

002

Wire harness routing diagram for diesel vehicle engine bay showing harness assembly locations, wiring connection points, relay positions, and component…
42.3 KB Manuals/Japanese/VOL5 Years 77-79/117_W_E‐TX40_1979_12

003

Wire harness routing application chart for Corona Mark II showing the compatibility matrix between 16 different wiring assembly components (including…
246.6 KB Manuals/Japanese/VOL5 Years 77-79/117_W_E‐TX40_1979_12

004

Wiring harness assembly diagram for Corona Mark II and Chaser showing wire color codes, connector assignments, and electrical component connections…
684.4 KB Manuals/Japanese/VOL5 Years 77-79/117_W_E‐TX40_1979_12

005

Wiring diagram for front side ASSY showing wire connections, color codes, circuit numbers, and component locations for Corona Mark II…
792.2 KB Manuals/Japanese/VOL5 Years 77-79/117_W_E‐TX40_1979_12

006

Wiring assembly diagram for starter circuit showing wire connections, connector locations, color codes, and routing from fuel cut solenoid through…
27.5 KB Manuals/Japanese/VOL5 Years 77-79/117_W_E‐TX40_1979_12

Index0

Wiring diagram reading guide explaining vehicle wiring diagrams, functional component indices, relay and computer locations, wire harness connections, and body…
646.4 KB Manuals/Japanese/VOL5 Years 77-79/117_W_E‐TX40_1979_12

Index1

23.3 KB Manuals/Japanese/VOL5 Years 77-79/117_W_E‐TX40_1979_12

Index2

20.5 KB Manuals/Japanese/VOL5 Years 77-79/117_W_E‐TX40_1979_12

Index3

520.2 KB Manuals/Japanese/VOL5 Years 77-79/117_W_E‐TX40_1979_12

aaaaaaaaaaaaaaaaaaaaaaaa